Seite 28 von 29
Re: Luxusnetzteil für Synchronmotoren mal anders
Verfasst: Di 8. Mär 2022, 17:54
von Erzkanzler
lol.....
dreh mal die Potis zurück, Du hast viel zu viel gain.
Das Ausgangssignal ist übersteuert.
LG
Martin
Re: Luxusnetzteil für Synchronmotoren mal anders
Verfasst: Di 8. Mär 2022, 19:18
von huskz510
Hallo Martin,
stimmt...
Einen schönen Sinus bekomme ich hin, wenn ich die Spannung am Poti weit genug zurückdrehe. Dann habe ich aber pro Kanalausgang nur noch 3,5V AC (Messgerät) bzw. 9,7VSS (auf dem Oszi). Damit dreht sich der Motor nur kurz bevor er zappelnd still steht.
Ich hatte zu Beginn nur mit dem Messgerät die Spannungen an beiden Kanälen identisch auf 15V AC eingestellt (Out A/B) und erst viel später das Oszi genutzt um mir die Phasenverschiebung und die Rampe anzuschauen... .
Hier noch die restlichen Daten falls für eine weitere Beurteilung hilfreich:
Parameter: 50/67Hz, 90° Phasenverschiebung, Rampe 10Hz/s
Trafo: 2x22V, gemessen sind es 25,8V AC/ 26,5V AC
Spannung unreguliert zw. +/-: 67,4V=
Wenn ich falsch bestückt haben sollte, müsste ich das für beide Kanäle gleich mies gemacht haben. Bin jetzt aber nicht der Schaltungsspezi, dass ich sofort wüsste, wo ich ansetzen muss.
Würde mich freuen, wenn du mir noch einige Anregungen geben könntest.
Danke und Gruß
Jürgen
Re: Luxusnetzteil für Synchronmotoren mal anders
Verfasst: Mi 9. Mär 2022, 11:07
von Erzkanzler
Moin Jürgen,
irgendwie trau ich Deinen Messgeräten nicht.
Trafospannung im Leerlauf 28,5VAC, ergibt: (28,5 - 1.4) x Wurzel2 = 38,3VDC
wieso dann 67,4VDC??
Dein Oszi-Foto sagt das Du 2V/Div eingestellt hast.
Signal nach Poti Vss ca. 2,5VAC --> plausibel
Signal nach Amp Vss 10V --> kann nicht sein (evtl. Tastkopfteiler?)
Da eine Fehlbestückung nicht diese Auswirkungen hätte schau Dir bitte nochmal ganz genau die Lötungen im Bereich des OP an.
Weiterhin....ist der Kühlkörper geerdet oder liegt irgendwie auf Masse?
Wenn ich mich recht erinnere liegt das Gehäuse des LM3886 auf V-. der Chip muss also isoliert werden.
LG
Martin
Re: Luxusnetzteil für Synchronmotoren mal anders
Verfasst: Mi 9. Mär 2022, 13:50
von huskz510
Hallo Martin,
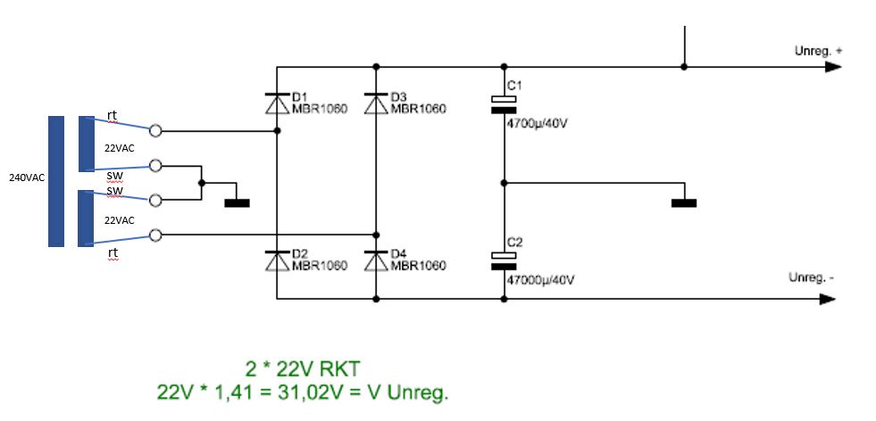
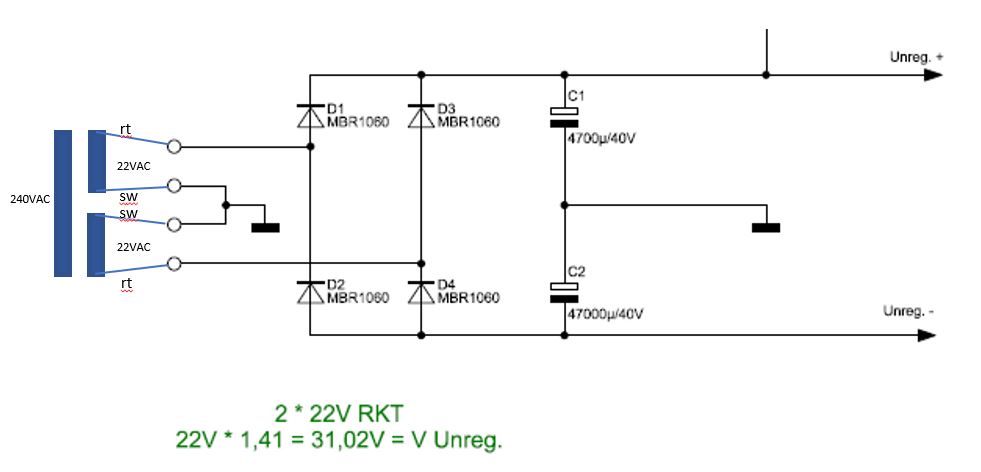
ich gehe davon aus, dass ich die 2x22V vom Trafo falsch angeschlossen habe (ist in meiner Doku auch nicht beschrieben). Daher die 67V zwischen unreg. +/-. Beides gegen Masse sind dann jeweils knapp 34VDC.
Aktuell sieht das so aus:

- Trafo.JPG (36.8 KiB) 12749 mal betrachtet

- Trafo.JPG (36.8 KiB) 12749 mal betrachtet
LM3886 sind isoliert und KK liegt auf Gehäuse.
Gruß Jürgen
Re: Luxusnetzteil für Synchronmotoren mal anders
Verfasst: Mi 9. Mär 2022, 13:56
von Erzkanzler
Hallo Jürgen,
Wickungsanfang ROT, Wicklungsende SW.
Die beiden Abgänge in der Mitte des RKT (SW/ROT) gehören auf Masse.
LG
Martin
Re: Luxusnetzteil für Synchronmotoren mal anders
Verfasst: Mi 9. Mär 2022, 14:23
von huskz510
Danke, habe mir schon gedacht, das ich da falsch lag... danke.
Gruß Jürgen
Re: Luxusnetzteil für Synchronmotoren mal anders
Verfasst: Mi 9. Mär 2022, 17:45
von huskz510
Trafo jetzt richtig geklemmt und alles nochmal von vorn gemessen mit gleichem Ergebnis.
Ich komme je Kanal nicht über die hier stehenden Werte (siehe Anzeige Oszi, zwischen den blauen Linien knapp unter 10VSS)...
Zu sehen:
Kanal A: max-Wert bevor der Sinus beschnitten wird.
Kanal B: etwa höher gestellt um das Beschneiden darzustellen.

- Meldano_Sinus.JPG (195.79 KiB) 12745 mal betrachtet

- Meldano_Sinus.JPG (195.79 KiB) 12745 mal betrachtet
Vielleicht kennt ja wer das Szenario und hat noch einen Tipp für mich...
Gruß Jürgen
Re: Luxusnetzteil für Synchronmotoren mal anders
Verfasst: Do 10. Mär 2022, 09:48
von Erzkanzler
Bitte mal ein hochauflösendes Foto der Platine und des Trafos.
Re: Luxusnetzteil für Synchronmotoren mal anders
Verfasst: Do 10. Mär 2022, 13:27
von huskz510
Erzkanzler hat geschrieben: ↑Mi 9. Mär 2022, 11:07
Moin Jürgen,
irgendwie trau ich Deinen Messgeräten nicht.
...
LG
Martin
Hallo Martin,
wie schon so oft bewahrheitet sich der Spruch: "Messen kommt von Mist und wer viel misst, misst Mist".
So auch bei mir. Habe mich vom Oszi foppen lassen. Etwas mit den Messbereichen von Oszi+Taster spielen und schwupp war da auch ein schöner Sinus. Na ja, wieder was gelernt, wobei ich davon ausgehe, dass ich es bis zum nächsten Mal wieder vergessen habe

- Testaufbau.JPG (121.07 KiB) 12738 mal betrachtet

- Testaufbau.JPG (121.07 KiB) 12738 mal betrachtet
Trotzdem vielen Dank für deine Unterstützung.
Gruß Jürgen
Re: Luxusnetzteil für Synchronmotoren mal anders
Verfasst: Do 10. Mär 2022, 13:41
von Erzkanzler
Gerne, dann mal viel Spaß mit dem Dreher.
LG
Martin
Re: Luxusnetzteil für Synchronmotoren mal anders
Verfasst: Sa 16. Jul 2022, 20:33
von mossi83
Hallo zusammen,
ich hab das Netzteil auch aufgebaut und es hat auch schon super funktioniert. Jetzt habe ich das Ganze in ein Gehäuse eingebaut und bekomme nur mehr max. 2V auf beiden Ausgängen. Woran kann das liegen? Die Lampen beim starten blinken aber wie sie sollen. Ich habe unabhängig von der gewählten Drehzahl auf beiden Ausgängen ca. 1,7V. Der Ringkerntrafo liefert knapp 21V (2x18V). Ich habe leider nur ein Voltmeter.
Danke,
Gruß Martin
Re: Luxusnetzteil für Synchronmotoren mal anders
Verfasst: Sa 16. Jul 2022, 22:21
von Erzkanzler
Hallo Martin,
das Netzteil hat ohne Gehäuse funktioniert.
Sind die Leistungs-OPs isoliert? Die liegen mit dem Gehäuse auf unreg minus.
LG
Martin
Re: Luxusnetzteil für Synchronmotoren mal anders
Verfasst: So 17. Jul 2022, 10:41
von mossi83
Hallo Martin,
ich habe ein Holzgehäuse. Die zwei LM 3886 TF habe ich direkt auf einen Kühlkörper verschraubt. Das sollte ja kein Problem darstellen, oder?

Wie kann ich feststellen, ob die LM 3886 defekt sind?
Danke,
Gruß Martin
Re: Luxusnetzteil für Synchronmotoren mal anders
Verfasst: Mo 18. Jul 2022, 12:25
von Erzkanzler
Hallo Martin,
es scheint mir Du hast den Trafo falsch angeschlossen. Die beiden Leitungen die in der Mitte aus dem Trafo kommen gehen auf Masse, also die Klemmen in der Mitte. Wenn ich das auf dem Foto richtig zuordnen kann orange und blau.
LG
Martin
Re: Luxusnetzteil für Synchronmotoren mal anders
Verfasst: Mo 18. Jul 2022, 14:45
von mossi83
Hallo Martin,
vielen Dank für deine Unterstützung. Das hast du richtig gesehen:

Ich habe es jetzt korrigiert - blau und grün getauscht.
Beim Messen ist mir aufgefallen, dass ich an den Punkten Vunreg+ und Vunreg- keine Spannung messen kann. Das Multimeter zeigt nichts an. Theoretisch müsste ich ja die Eingangsspannung um den Faktor 1,41 multipliziert messen können, oder? Könnte eine der Dioden das Problem sein?
Danke,
Gruß
Martin
Re: Luxusnetzteil für Synchronmotoren mal anders
Verfasst: Mo 18. Jul 2022, 21:52
von Erzkanzler
Wenn die LEDs blinken muss Spannung da sein. Pass bitte auf die Messbereiche auf.
An Unreg misst Du DC, am Ausgang der ICs, also Abgang Motor misst Du AC.
Der von Dir verwendete Trafo liefert maximal 14,5VAC Sinus, danach geht er ins Clipping.
LG
Martin
Re: Luxusnetzteil für Synchronmotoren mal anders
Verfasst: Di 19. Jul 2022, 20:55
von mossi83
Hallo Martin. Das mit den Messbereichen ist mir klar, sollte das Messgerät auch automatisch umstellen. Komisch ist nur, dass das Messgerät nur die 5V richtig misst. Die 12V und auch die Unreg kann ich nicht messen. Irgendwie komme ich nicht dahinter, wo mein Fehler liegt. Ich dachte der Ringkern würde für den Project 16V Motor reichen. Danke. Gruß Martin
Re: Luxusnetzteil für Synchronmotoren mal anders
Verfasst: Do 20. Apr 2023, 08:15
von jgellrich
Hallo an die Gemeinde,
kann mir jemand der das Luxusnetzteil im Einsatz hat evtl. die Software zukommen lassen.
Diese ist mir leider beim letzten Rechner Wechsel abhanden gekommen.
Meldung bitte per PN.
VG
Jürgen
Re: Luxusnetzteil für Synchronmotoren mal anders
Verfasst: Do 20. Apr 2023, 10:17
von Erzkanzler
Moin,
hab Dir den Link per PN geschickt.
LG
Martin
Re: Luxusnetzteil für Synchronmotoren mal anders
Verfasst: Do 24. Apr 2025, 16:11
von andreas1963
Hallo zusammen,
ich bin großer Fan der AC-Motorsteuerung und habe mir vor etwa 6 Jahren die Platinen besorgt. Das Ganze habe ich aufgebaut, in ein Gehäuse integriert, und seitdem läuft mein Plattenspielermotor damit hervorragend.
Seit Kurzem habe ich jedoch folgendes Problem:
Nach etwa einer Stunde Betrieb schaltet sich der Drehzahlschalter aus, der Plattenteller bleibt stehen und ich muss das Gerät neu starten.
Kennt jemand dieses Phänomen?
Woran könnte der Fehler liegen?
Viele Grüße
Andreas